
Guten Tag! Mein Name ist Andreas Kapl. Ihr Profi für Handläufe aus Edelstahl & Holz in Berlin.
Unzählige Male kann man die gleiche Treppe benutzt haben, und nie ist etwas passiert. Doch einmal gerutscht oder auch nur fast gestolpert, und schon verspürt man das Bedürfnis, sich irgendwo festhalten zu können. Seien Sie versichert: Es geht nicht nur Ihnen so, sondern vielen meinen Kunden. Genau hier kommen im Außenbereich Handläufe aus Edelstahl ins Spiel.

Montage von Edelstahl-Handläufen in Berlin – sicher, langlebig und maßgefertigt
Sie möchten im Außenbereich Ihrer Immobilie für sicheren Halt sorgen? Dann steht schnell die Frage nach dem passenden Material im Raum. Schließlich müssen Handläufe dort oft extremen Wetterbedingungen und UV-Strahlung standhalten.
Edelstahl ist hier die erste Wahl: Er ist nicht nur langlebig und rostfrei, sondern überzeugt auch optisch.
Kein Wunder, dass viele Hausbesitzer genau darauf setzen – schließlich vereint er Funktionalität und Design. „Ich möchte mich sicher festhalten können, aber es soll auch schön aussehen“, so der häufige Wunsch. Edelstahl erfüllt beides perfekt.
Mit einen Durchmesser von 42,4 mm – ideal für eine angenehme Griffigkeit und ein stabiles Gefühl – passen sich diese Handläufe flexibel an Ihre Bedürfnisse an.
Ob für wenige Stufen oder lange Laufwege, etwa zum Parkplatz: Edelstahl bietet immer die richtige Lösung.
-
Edelstahl Handlauf mit Bodenanker -
Wandmontage gewinkelt & gerade -
freistehender Handlauf Treppenmontage -
Wand & Bodenmontage Kombination -
Kurzer Handlauf Terrasse -
der ganze Weg zum Parkplatz -
Treppengeländer mit Traversen -
über 4m aus einem Stück -
schwarze Handläufe Edelstahl pulverbeschichtet -
Edelstahl Handlauf schwarz pulverbeschichtet
Montagearten im Überblick: Wand- und Bodenbefestigung
Für Ihre Edelstahl-Handläufe setze ich seit Jahren auf einen zuverlässigen deutschen Lieferanten, der das hochwertige Grundmaterial bereitstellt.
Es gibt zwei gängige Montagevarianten:
Wandmontage oder Stufenmontage (auch Bodenmontage genannt).
Bei der Stufenmontage wird ein Bodenanker gesetzt – ein Rohr in derselben Materialstärke wie der Handlauf, das nach oben führt. Darauf wird ein gerader Halter befestigt. Bei der Wandmontage ist dieser Halter gewinkelt. Beide Varianten sorgen für einen stabilen Halt des Handlaufs.
Edelstahl-Gelenke und Halterungen
Moderne Edelstahlgelenke machen Biegungen im Handlauf zum Kinderspiel. Sie bieten nicht nur ein optimales Griffgefühl, sondern passen sich perfekt an Ihre räumlichen Gegebenheiten an – präzise, stabil und optisch ansprechend.
Der Ring-Rohrhalter (oben links) ist ideal für die Wandmontage und sorgt für stabilen Halt.
Der 90-Grad-Bogen (oben rechts) rundet den Handlauf nicht nur optisch ab, sondern bietet auch einen zusätzlichen Griff – besonders nützlich am Treppenende.
Darunter sehen Sie zwei flexible Edelstahl-Gelenke, die sich individuell an jeden Winkel anpassen lassen. So wird Ihr Handlauf perfekt an Ihre Gegebenheiten angepasst.

Handläufe werden in der Regel in einer Höhe von etwa 90 cm angebracht, um eine ergonomische Nutzung zu ermöglichen. Dies ist besonders an Außentreppen wichtig, da hier Sicherheit und Stabilität im Vordergrund stehen.
Für eine dauerhafte Befestigung kommen bei Handläufen im Außenbereich mehrere Bohrungen zum Einsatz, Edelstahl Gewindestangen werden in diese Bohrungen mit einem speziell dafür vorgesehen Kleber verankert, welcher in der Regel 24-48h zum Aushärten benötigt.
Aus diesem Grund sind für die Montage oft zwei Termine vor Ort notwendig- beim ersten mal um die Bohrlöcher zu setzen und die Gewindestangen einzukleben. Im zweiten Schritt erfolgt dann die Endmontage der Handläufe.
Diese Methode sorgt dafür, dass der Handlauf zuverlässig hält – selbst bei hoher Beanspruchung oder wechselnden Witterungsbedingungen.

Hier sehen Sie auch eine Kombination aus Wand und Stufenmontage
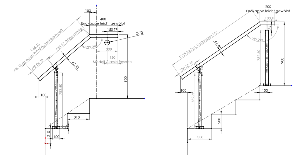
Technisches Aufmaß eines Handlaufts
Im Folgenden sehe Sie die technische Zeichnung für die beiden oberen Handläufe vom Foto. Ich arbeite hier mit diversen Fachbetrieben zusammen, welche den Handlauf nach Ihren Wünschen erstellen.

Wenn Sie einen maßgefertigten und dauerhaft sicheren Edelstahl-Handlauf in Berlin montieren lassen möchten, unterstütze ich Sie gerne – von der Vermessung über die Bestellung bis hin zur professionellen Installation.
Kontaktieren Sie mich gerne und wir sprechen bei Ihnen vor Ort über die Möglichkeiten.

Rufen Sie mich gerne an oder schreiben Sie mir auch gerne via WhatsApp oder per E-Mail.
oder schreiben Sie mir einfach gerne über folgendes Formular
Mit klicken auf ’senden‘ stimmen Sie der Verarbeitung Ihrer Daten gemäß Datenschutzerklärung zu.
GERN GESTELLTE FRAGEN
Bieten Sie Holz-Handläufe?
Ja, sehr gerne! Neben Edelstahl für den Außenbereich arbeite ich besonders gerne mit Kiefer, Buche oder Eiche für Innenhandläufe.
Schon als Jugendlicher habe ich gemeinsam mit meinem Großvater – er war Zimmermann – Holztreppen gebaut. Diese Erfahrung ermöglicht es mir, Ihnen massgeschneiderte Lösungen für Ihre Treppe oder Ihren Flur anzubieten.
Ob klassisch, modern oder individuell: Ich berate Sie gerne und setze Ihre Wünsche präzise um. Kontaktieren Sie mich für ein unverbindliches Gespräch!

Bieten Sie Balkon-Geländer?
Ich biete Ihnen maßgefertigte Geländer – oder fachsprachlich Absturzsicherungen – aus hochwertigem Edelstahl, die perfekt auf die Anforderungen Ihrer Wohnung abgestimmt sind. Besonders Stabgeländer mit senkrechten Stäben sorgen für maximale Sicherheit, da sie das Überklettern durch Kinder zuverlässig verhindern.
Doch nicht nur der Sicherheitsaspekt überzeugt: Die filigrane und zeitlose Optik verleiht Ihrem Balkon eine moderne, großzügige Wirkung.
Gerne berate ich Sie persönlich zu den individuellen Gestaltungsmöglichkeiten – lassen Sie uns ins Gespräch kommen!

Zuschuss durch Pflegekasse erhalten!
Handläufe an Treppen, Fluren oder Eingängen zählen zu den wohnumfeld-verbessernden Maßnahmen. Diese fördert die Pflegekasse mit bis zu 4.180 Euro pro Maßnahme – in Haushalten mit mehreren Pflegebedürftigen sogar noch höher. Voraussetzung ist ein anerkannter Pflegegrad 1 bis 5.
Was wird gefördert?
- Montage von Handläufen und Treppengeländern
- Maßnahmen zur Sturzprävention und Sicherheit im Wohnraum
So geht’s: Ich erstelle Ihnen gerne ein individuelles Angebot für die Montage (inkl. Material). Reichen Sie dieses einfach mit dem Muster-Antrag bei Ihrer Pflegekasse ein.
Haben Sie Fragen? Rufen Sie mich gerne an oder schreiben Sie mir – ich berate Sie gerne und helfe Ihnen, die Förderung optimal zu nutzen!
Welche DIN-Norm gilt für Handläufe?
Handläufe und Geländer müssen nach DIN 18065 (Gebäudetreppen) montiert werden. Die wichtigsten Anforderungen im Überblick:
- Pflicht ab 3 Stufen
- Wandabstand: mindestens 5 cm
- Höhe: 80–115 cm
- Durchmesser: 3–4,5 cm (rund oder oval, besonders bei öffentlich zugänglichen Treppen)
- Ab 1,5 m Stufenbreite: zwei Handläufe erforderlich
Ich montiere alle Handläufe normgerecht und berate Sie gerne zu den Details. Bei Fragen oder einem konkreten Projekt helfe ich Ihnen weiter!
Was kostet ein Edelstahl-Handlauf
Der Preis für einen Edelstahl-Handlauf hängt von mehreren Faktoren ab.
Denn folgende Fragen sind entscheidend:
- Montageart: Wandmontage oder Stufenmontage?
- Wandbeschaffenheit: Ist die Wand isoliert? (Dann sind spezielle Gewindestangen und zwei Termine nötig.)
- Verlauf: Gerade oder gewinkelt?
- Untergrund: Bei Bodenhalterungen kann z. B. ein kleines Fundament erforderlich sein (z. B. bei Pflastersteinen).
Warum variieren die Preise?
Isolierte Wände oder Stufenhalterungen erfordern aufwendigere Techniken (z. B. Verkleben von Gewindestangen für maximale Stabilität). So stellen wir sicher, dass Ihr Handlauf sicher, langlebig und optisch ansprechend ist. Natürlich sind die Länge, Anzahl der Halter, Biegungen und Endstücke am Ende ein Faktor für den End-Preis.
Tipp: Ein persönliches Gespräch vor Ort gibt Ihnen Planungssicherheit – kontaktieren Sie mich gerne! Wenn Sie die Möglichkeit haben, machen Sie gerne auch ein paar Bilder und senden Sie mir per WhatsApp.
Gibt es auch andere Farben?
Für ein anderes Design biete ich Ihnen Edelstahl-Handläufe auch pulverbeschichtet in Schwarz oder Weiß an.
Diese hochwertige Beschichtung erhöht die Kosten um etwa ein Drittel im Vergleich zu klassischem, unbeschichtetem Edelstahl – allerdings verleiht sie Ihrem Handlauf eine ungewöhnliche Optik.

Suchen Sie etwas ganz Exklusives? Aluminium-Handläufe sind eine moderne Alternative – leicht, stabil und sogar in Holzdekor-Optik erhältlich. So kombinieren Sie die Vorteile von Metall mit dem natürlichen Look von Holz. Lassen Sie uns gemeinsam die passende Lösung für Ihr Projekt finden!

Wie wird ein Handlauf befestigt?
Handläufe werden in der Regel nicht mit Schrauben und Dübel befestigt. Eine Ausnahmen bildet der Innenbereich bei sehr festem Mauerwerk.
Grundsätzlich kommt bei der Befestigung eine sogenannte chemische Verankerung zum Einsatz. Dabei wird ein Zweikomponenten-Gemisch aus Harz und Quarzsand in das Bohrloch eingebracht.
Durch eine chemische Reaktion härtet das Gemisch aus und schafft eine nahezu untrennbare Verbindung zwischen Mauerwerk und Ankerstange.


